Academia.eduAcademia.edu

Fuzzy logic controllers

description44 papers
group12 followers
lightbulbAbout this topic
Fuzzy logic controllers are systems that use fuzzy logic, a form of many-valued logic, to handle reasoning that is approximate rather than fixed and exact. They are designed to mimic human decision-making by incorporating degrees of truth, allowing for more flexible and robust control in complex and uncertain environments.
lightbulbAbout this topic
Fuzzy logic controllers are systems that use fuzzy logic, a form of many-valued logic, to handle reasoning that is approximate rather than fixed and exact. They are designed to mimic human decision-making by incorporating degrees of truth, allowing for more flexible and robust control in complex and uncertain environments.

Key research themes

1. Why are fuzzy logic controllers considered universal approximators in control systems?

This research area addresses the theoretical foundations underpinning the capability of fuzzy logic controllers (FLCs) to approximate any continuous function arbitrarily closely. Establishing this property is crucial to explain the broad applicability and robust performance of FLCs across a variety of complex and nonlinear control problems without requiring explicit system models.

Key finding: This paper rigorously proves that fuzzy logic control systems with membership functions such as triangular or trapezoidal shapes, using fuzzy conjunctions modeled by t-norms, corresponding fuzzy implications (e.g.,... Read more
Key finding: This work complements theoretical universality by focusing on practical software implementations of fuzzy logic controllers (FLCs), demonstrating how various fuzzy operators and rule bases can be realized effectively on... Read more
Key finding: Extending beyond static universal approximation, this research introduces adaptive fuzzy linguistic controllers that learn and adjust controller parameters and membership functions online based on Lyapunov stability criteria.... Read more

2. How can fuzzy logic controllers be effectively implemented and optimized in hardware and software for real-time control applications?

This theme explores design methodologies, hardware architectures, and software tools that enable efficient and scalable fuzzy logic controller (FLC) implementations suited for high-throughput, low-power, and adaptive real-time control. Research focuses on optimizing fuzzy inference mechanisms on FPGA platforms, creating adaptable and user-friendly fuzzy system design environments, and developing educational tools to facilitate both design and didactic understanding.

Key finding: This study presents dedicated FPGA hardware implementations of Takagi-Sugeno fuzzy-PI controllers employing fully parallel architectures with hybrid fixed-point/floating-point formats. Two designs (single clock cycle and... Read more
Key finding: This paper proposes a VHDL-based fuzzy inference system (FIS) implementation integrated with a graphical user interface (GUI) that enables hardware-level fuzzy controller design and parameter tuning without repeated FPGA... Read more
Key finding: Focusing on education and practical comprehension, this work develops a LabVIEW-based virtual tool allowing students to interactively design, simulate, and analyze fuzzy logic controller internal structures in a unified... Read more

3. What improvements and hybrid approaches enhance fuzzy logic controllers' adaptability and performance in nonlinear and uncertain dynamic systems?

This research investigates the augmentation of fuzzy logic controllers through adaptive mechanisms and hybridization with soft computing paradigms to improve robustness, learning capability, and control precision in complex, uncertain environments. The focus is on methods for automatic tuning, learning membership functions and rules, and combining fuzzy logic with neural networks, genetic algorithms, and particle swarm optimization to address nonlinearities and uncertainties.

Key finding: The paper demonstrates three hybrid fuzzy controller architectures integrating fuzzy logic with neural networks, genetic algorithms, and genetic programming. Experimental results show that adaptive neuro-fuzzy systems can... Read more
Key finding: Employing fuzzy subtractive clustering to identify the fuzzy rule base significantly reduces the number of rules (e.g., from 49 to 5) for self-tuning fuzzy PI controllers without degrading performance. Simulations on diverse... Read more
Key finding: This study compares multiple fuzzy logic based PID tuning algorithms—including incremental fuzzy expert PID, fuzzy gain scheduling, set-point weighting, and fuzzy self-tuning of individual parameters—and nonlinear PID... Read more
Key finding: Optimizing fuzzy logic controller (FLC) scaling factors using particle swarm optimization (PSO) substantially enhances position tracking accuracy and reduces chattering caused by nonlinearities such as friction and internal... Read more

All papers in Fuzzy logic controllers

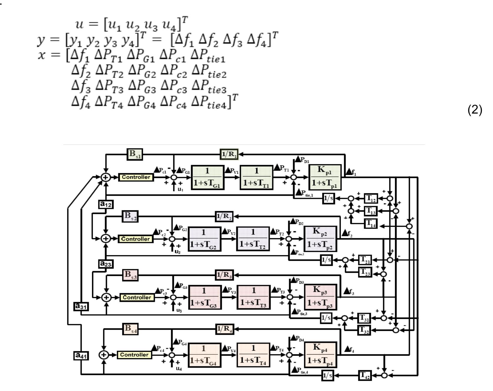
This paper presents a load frequency control in four area power systems using fuzzy gain scheduling of PI controller is realized. The system simulation is realized by using Matlab/Simulink software. System dynamic performance is observed... more
The work presented herein illustrates the use of computational intelligence and optimization approaches for improving the fuzzy controller's performance in architectural heating, ventilation, and air conditioning system (HVAC). The... more
The position control system of an electro-hydraulic actuator system (EHAS) is investigated in this paper. The EHAS is developed by taking into consideration the nonlinearities of the system: the friction and the internal leakage. A... more
This paper presents the use of genetic algorithms to develop smartly tuned fuzzy logic controllers in multicriteria complex problems. This tuning approach has some specific restrictions that make it very particular and complex because of... more
Issues related to the automatic selection of the PID controller settings have been known for several years. This article describes the concept of self-tuning using fuzzy logic block (FLB). The FLB represents expert knowledge and in the... more
This paper presents the use of genetic algorithms to develop smartly tuned fuzzy logic controllers in multicriteria complex problems. This tuning approach has some specific restrictions that make it very particular and complex because of... more
Tez (Yüksek Lisans) -- İstanbul Teknik Üniversitesi, Fen Bilimleri Enstitüsü, 2007Thesis (M.Sc.) -- İstanbul Technical University, Institute of Science and Technology, 2007Bu çalışmada, bulanık mantık kontrol sistemlerindeki... more
The objective of this paper is to give an insight about the development of a fuzzy logic efficiency control system which is incorporated to a standard adjustable speed drive control (i.e. Indirect Vector Control) in order to improve the... more
Under‐voltage load shedding (UVLS) is an important technique to maintain the voltage stability and frequency of a power system network. UVLS has been applied widely in transmission systems to avoid system blackouts. However, with... more
Abstract—Fuzzy logic is a new and innovative technolo-gy that was used in order to develop a realization of engi-neering control. In recent years, fuzzy logic proved its great potential especially applied to automatization of industrial... more
Fuzzy logic is a new and innovative technology that was used in order to develop a realization of engineering control. In recent years, fuzzy logic proved its great potential especially applied to automatization of industrial process... more
A novel pareto-optimization technique based on newly developed hybrid fuzzy multi-objective evolutionary algorithm (HFMOEA) is presented in this paper. In HFMOEA, two significant parameters such as crossover probability (P C) and mutation... more
Brushless DC motor is used in many applications as battery operated vehicles, wheel chairs, machine tools, aerospace and in many more applications .It has the best electrical & mechanical characteristics[2] Non-linearity arises out of... more
In this thesis, fuzzy logic controller (FLC) design for tuning some parametric controller is investigated. The objective in designing an FLC is to determine the rule bcise of the system and the data base which includes membership... more
Safe operation of a power system will require that system frequency is kept within a specified range. When the generation is insuficient due to disturbances, the frequency might fall under the minimum allowable value which may lead to... more
In this paper a new under frequency load shedding algorithm is introduced and simulated on the IEEE 39-Bus test system. Using multiple load estimators and arranging busbar techniques reduces the probability of over or under shedding... more
This paper presents a load frequency control in four area power systems using fuzzy gain scheduling of PI controller is realized. The system simulation is realized by using Matlab/Simulink software. System dynamic performance is observed... more
A case study on continuous process control based on fuzzy logic and supported by expert knowledge is proposed. The aim is to control the coal-grinding operations in a cement manufacturing plant. Fuzzy logic is based on linguistic... more
This paper presents a load frequency control in four area power systems using fuzzy gain scheduling of PI controller is realized. The system simulation is realized by using Matlab/Simulink software. System dynamic performance is observed... more
Brushless Direct Current (BLDC) motor becomes at the top of motors in high performance drive systems such as Electric vehicle (EV). This paper presents a modern approach of speed control for BLDC using particle swarm optimization (PSO)... more
The paper proposes a design of two fuzzy and Proportional-Integral-Derivative (PID) controllers for a position tracking of the 1400 Celestron telescope. The position responses; right ascension and declination in such a way that it... more
Positive output elementary Luo converter perform the conversion from positive DC input voltage to positive DC output voltage. Since Luo converters are non-linear and time-variant systems, the design of high performance controllers for... more
This paper presents transient stability analysis and enhancement of Industrial Cogeneration Plant (ICP) using Artificial Neural Network (ANN) based adaptive load shedding. By selecting the total in-plant generation, spinning reserve,... more
Underwater remotely operated vehicle (ROV) is important in underwater industries as well as for safety purposes. It can dive deeper than humans and can replace humans in a hazardous underwater environment. ROV depth control is difficult... more
It has been prime objective of any power producer and distributor to supply uninterruptible power to the consumer at its premises with best quality, high reliability and most economy. To ensure quality, reliability and economy, the... more
As the requirements of economical operation and reliability on power grid are enhanced gradually nowadays, the existing under frequency load shedding (UFLS) scheme is not quite fit for the modern power system that integrates high wind... more
This paper presents a load shedding scheme (LSS) based on system frequency and voltage stability (VS). In the proposed scheme, the amount of power imbalance is determined using a rate of change of frequency, and the load shedding priority... more
This paper proposes a Fuzzy Logic based controller for implementing Active Pitch Angle Controller in horizontal axes wind turbine. A new improved model of wind turbine is presented. By using fuzzy logic based pitch angle controller,... more
This paper proposes an optimal fuzzy proportional–integral–derivative (PID) controller design based on conventional PID control and nonlinear factors. With the equivalence between fuzzy logic controllers (FLCs) and conventional PID... more
The DC motors are widely used in the mechanisms that require control of speed. Different speed can be obtained by changing the field voltage and the armature voltage. The classic PID controllers are widely used in industrial process for... more
Under-Frequency Load Shedding (UFLS) is a common technique to maintain power system stability by removing the overload in some part of the system. The existing UFLS schemes operate successfully in the interconnected grid system. A... more
When tripping events or overloading cases occur in power system, load shedding scheme operates to shed some load and stabilize the frequency. However, amount of load to be shed greatly depends on, how fast governor can utilizeDG spinning... more
In this study, the realization of load and frequency control of a eight-area power system via Proportional Integral (PI), Proportional Integral Derivative (PID) and Fuzzy Logic Controllers(FLC) has been focused on. Loads connected to... more
Whenever a distribution network is about to become unstable, protection relays will start to work, thus creating unintentional islanding. In order to keep balance between generated and consumed power in an islanded system, it is necessary... more
Proportional Integral Derivative (PID) controllers are widely used in industrial processes for their simplicity and robustness. The main application problems are the tuning of PID parameters to obtain good settling time, rise time and... more
This paper describes comparative study of various controllers on Rotary Inverted Pendulum (RIP). PID, LQR, FUZZY LOGIC and H∞ controllers are tried on RIP in MatLab Simulink. The same four controllers have been tested on test bed of RIP... more
In this paper, we presented an optimized fuzzy logic controller using particle swarm optimization for DC motor speed control. The controller model is simulated using MATLAB software and also experimentally tested on a laboratory DC motor.... more
Designing a control strategy of two-wheeled wheelchair is a very challenging task due to the unstable and highly nonlinear system. In the paper the system is modeled by mimicking a double-link inverted pendulum concept and the... more
A novel pareto-optimization technique based on newly developed hybrid fuzzy multi-objective evolutionary algorithm (HFMOEA) is presented in this paper. In HFMOEA, two significant parameters such as crossover probability (P C) and mutation... more
In islanding mode, system frequency is severely disturbed due to imbalance between generation and load demand resulting in overloading or loss of generation cases. In order to cope with these events, under-frequency load shedding scheme... more
When tripping events or overloading cases occur in power system, load shedding scheme operates to shed some load and stabilize the frequency. However, amount of load to be shed greatly depends on, how fast governor can utilizeDG spinning... more
Determination of the parameters of the membership functions of a fuzzy logic control process is the crucial factor for providing optimum performance of the system. These parameters are regarded as variables and are tuned through Particle... more
This paper presents an optimized method for the control of photovoltaic cells (PVC) tracking system. One of the major challenges of solar energy design is the continual focs of the PVC panels to solar radiation to achieve maximum... more
The increasing trends in intelligent control systems design has provide means for engineers to evolve robust and flexible means of adapting them to diverse applications. This tendency would reduce the challenges and complexity in bringing... more
The main purpose of this article is to present and explore potential applications in marketing administration related to pricingstrategyusingfuzzylogic. Considering the new trends in consumer behavior in Brazil's economy and the... more
This paper presents a load frequency control in four area power systems using fuzzy gain scheduling of PI controller is realized. The system simulation is realized by using Matlab/Simulink software. System dynamic performance is observed... more
Performance Appraisal is the systematic evaluation of the performance of an employee under certain aspects of consideration and to understand the potential of a person for further growth and development of an employee in an organization... more
In the proposed work, AGC of three area power plant(all thermal) implemented using PI controller and Fuzzy Logic Controller. Even when load fluctuates in one area, it affects the frequency in all the remaining areas as well. Model is... more
Brushless Direct Current (BLDC) motor becomes at the top of motors in high performance drive systems such as Electric vehicle (EV). This paper presents a modern approach of speed control for BLDC using particle swarm optimization (PSO)... more
Download research papers for free!