Academia.eduAcademia.edu

Genetic Fuzzy Systems

description162 papers
group2,070 followers
lightbulbAbout this topic
Genetic Fuzzy Systems are computational models that integrate genetic algorithms with fuzzy logic to optimize decision-making processes. They utilize evolutionary strategies to enhance the performance of fuzzy systems, enabling adaptive learning and improved handling of uncertainty in complex environments.
lightbulbAbout this topic
Genetic Fuzzy Systems are computational models that integrate genetic algorithms with fuzzy logic to optimize decision-making processes. They utilize evolutionary strategies to enhance the performance of fuzzy systems, enabling adaptive learning and improved handling of uncertainty in complex environments.

Key research themes

1. How can genetic algorithms optimize fuzzy rule-based systems to improve learning, interpretability, and performance in complex domains?

This research area focuses on employing genetic algorithms (GAs) to automatically generate, tune, and optimize the parameters and rule bases of fuzzy systems. It addresses computational challenges such as interpretability loss, high dimensionality, and the exponential growth of rules. The combination aims to balance accuracy and interpretability, enhance learning efficiency, and adapt fuzzy systems to complex, real-world problems across domains like control systems, intrusion detection, and financial management.

Key finding: Identifies Genetic Fuzzy Systems (GFS) as a major extension of fuzzy rule-based systems developed to overcome drawbacks like uncertainty representation and high computational costs by integrating genetic/evolutionary... Read more
Key finding: Introduces a three-stage GA-based learning approach that initializes membership functions, identifies fuzzy rules from a large search space, and fine-tunes parameters with back-propagation. This approach effectively selects... Read more
Key finding: Demonstrates the practical applicability of GFS by evolving fuzzy if-then rules automatically for identifying multiple intelligences in humans, reducing manual knowledge engineering effort. This work details genetic... Read more
Key finding: Presents GFSSAM, a hybrid system that employs genetic algorithms to optimize fuzzy system parameters for asset management. By applying GA to tune membership functions and rule bases, the system achieves near-optimal solutions... Read more
Key finding: Combines cellular multiobjective genetic algorithms (C-MOGA) with local search selectively applied to non-dominated fuzzy rule-based classifiers, achieving a better balance between exploration and exploitation. The applied... Read more

2. How do hybrid neuro-fuzzy and evolutionary fuzzy systems enhance adaptive control and prediction accuracy in dynamic systems?

This theme explores the integration of neural networks, fuzzy logic, and genetic algorithms (forming neuro-fuzzy systems and evolutionary fuzzy approaches) to design adaptive controllers and predictive models. These hybrids leverage fuzzy interpretability, neural network learning, and genetic global search to handle nonlinear, uncertain, or high-dimensional data in real-time control and forecasting applications such as robotics, electricity consumption, and transportation.

Key finding: Describes three implementations of soft computing hybrid fuzzy controllers—neuro-fuzzy adaptation for controlling a direct drive motor, GA-fuzzy hierarchical control for flexible robot links, and GP-fuzzy behavior-based... Read more
Key finding: Proposes a hybrid GA–ANFIS–FCM model where genetic algorithms optimize fuzzy c-means clustering and ANFIS parameters to predict electricity consumption. The hybrid method significantly outperforms standalone ANFIS models in... Read more
Key finding: Uses genetic algorithms to offline tune fuzzy proportional-integral controller scaling factors and membership functions for an automated cruise control system of freight trains. The approach leads to more uniform train... Read more

3. What methodologies exist for hierarchical and evolving fuzzy systems combining genetic and fuzzy logic approaches to address high-dimensionality and complex decision-making?

This area investigates fuzzy system structures that decompose complex, large-scale, or hierarchical problems into manageable sub-systems using fuzzy logic combined with evolutionary algorithms. The methods focus on tackling the curse of dimensionality, dynamic evolving rules, and hierarchical decision fusion, proposing architectures that allow flexible, interpretable, and effective decision-making or modeling in layered or evolving contexts.

Key finding: Introduces decomposition of nonlinear complex systems into hierarchical and multi-layered fuzzy logic subsystems, with evolutionary algorithms for learning rule bases and parameters. The approach significantly reduces rule... Read more
Key finding: Proposes a flexible hierarchical decision-making mechanism where fuzzy logic rules at multiple levels evolve via genetic algorithms, with performance indices modulating influence between levels. The system demonstrates... Read more
Key finding: Presents a method using grammatical evolution to induce interpretable fuzzy pattern trees (FPTs), hierarchical fuzzy models that avoid combinatorial rule explosion. Experimental results show that this approach achieves... Read more

All papers in Genetic Fuzzy Systems

by N S
Data mining is the process of extracting desirable knowledge or interesting patterns from existing databases for specific purposes. Most conventional data-mining algorithms identify the relationships among transactions using binary... more
Para muchos procesos del mundo real es posible diseñar un controlador difuso que provea buena regularidad usando sólo conocimiento experto. No obstante ello, para lograr un desempeño satisfactorio es necesario hacer uso de métodos más... more
Frank t-norms are parametric family of continuous Archimedean t-norms which are also strict when the parameter is nonnegative. Very often, this family of t-norms is also called the family of fundamental t-norms because of the role it... more
Association rule mining problem (ARM) is a structured mechanism for unearthing hidden facts in large data sets and drawing inferences on how a subset of items influences the presence of another subset. ARM is computationally very... more
SIDIC es un sistema de inferencia difuso que considera valoraciones subjetivas, las cuales son aproximadas a valores precisos, esto es aplicado a variables económicas consideradas determinantes de la inflación y su aplicación muestra una... more
In real-world applications, transactions are typically represented by quantitative data. Thus, fuzzy association rule mining algorithms have been proposed to handle these quantitative transactions. In addition, items generally have... more
In this paper we combine the k-means and/or k-means type algorithms with a hill climbing algorithm in stages to solve the joint stratification and sample allocation problem. This is a combinatorial optimisation problem in which we search... more
In this paper we introduce the notion of anti Q-L-fuzzy group, anti Q-L-fuzzy -ideals with values in a complete lattice L which is infinite meet distributive, and investigate some of its properties.
This paper focuses on a photovoltaic system for pumping water. The control strategy for this water pumping system is based on Takagi-Sugeno type fuzzy supervisors and sliding mode controller. The first generates the maximum power point... more
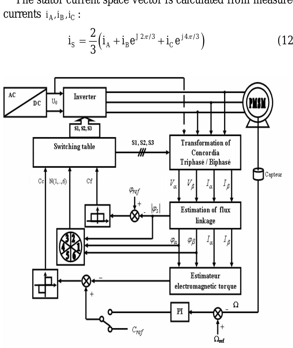
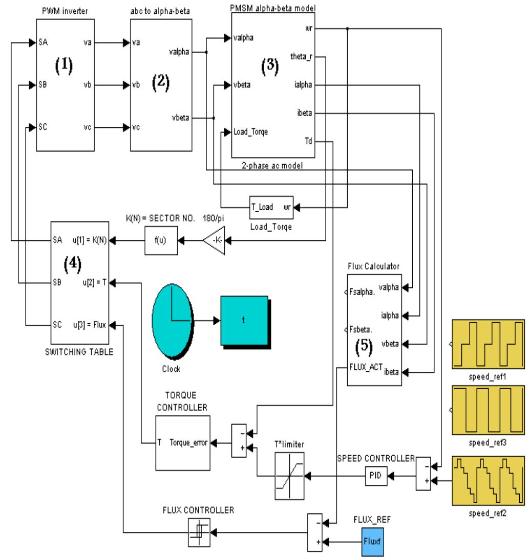
Direct torque is a control technique used in a AC drive systems to obtain high performance torque control.The low number of voltage vectors which can be applied to the machine using the basic DTC scheme may cause undesired torque and... more
The development of the FILA-SoS meta-architecture approach to acknowledged systems of systems (SoS) analysis allows a relatively unbiased method for exploring a potential SoS architecture space. This paper delves more deeply into the... more
Fast and efficient data management is one of the demanding technologies of today's aspect. This paper proposes a system which makes the working procedures of present manual system of storing and retrieving huge citizen's information of... more
Data mining of association rules from items in transaction databases has been studied extensively in recent years. However these algorithms deal with only transactions with binary values whereas transactions with quantitative values are... more
SIDIC es un sistema de inferencia difuso que considera valoraciones subjetivas, las cuales son aproximadas a valores precisos, esto es aplicado a variables económicas consideradas determinantes de la inflación y su aplicación muestra una... more
To find a lawyer becomes a headache for business organization or general people. Sometimes people face many difficulties to find proper lawyer as their requirements, because of information gap. In addition, it is also difficult to find... more
M Ma an ni is sh h J Jo os sh hi i H Ha ar ro ol ld d B Bo ol le ey y R Ra aj je en nd dr ra a A Ak ke er rk ke er r ((E Ed ds s. .)) Volume 1, 2010 e­Book Series ISSN 0975-9786 e­ISBN 978­81­908426­1­7 TM O Op pe en n A Ac cc ce es ss s... more
In this paper, we introduce the notion of anti Q-fuzzy BG-ideals of BG-algebras, lower level cuts of a fuzzy set, lower level BGideal and prove some results on these. we show that a Q-fuzzy subset of a BG-algebra is a Q-fuzzy BG-ideal if... more
Data mining of association rules from items in transaction databases has been studied extensively in recent years. However these algorithms deal with only transactions with binary values whereas transactions with quantitative values are... more
Article Info Rule generation in complex data analysis tasks poses challenges in terms of accuracy and interpretability. This research proposes a novel approach called Quantum-Inspired Fuzzy Genetic Programming (QIFGP) that integrates... more
A novel method is presented for mining fuzzy association rules that have a temporal pattern. Our proposed method contributes towards discovering temporal patterns that could otherwise be lost from defining the membership functions before... more
In Web usage mining, fuzzy association rules that have a temporal property can provide useful knowledge about when associations occur. However, there is a problem with traditional temporal fuzzy association rule mining algorithms. Some... more
This paper presents a sensorless DSVM-DTC of an induction motor that propels an electrical vehicle or a hybrid one. The drive uses an adaptive flux observer for speed estimation and a discrete space vector modulation direct torque control... more
Fast and efficient data management is one of the demanding technologies of today's aspect. This paper proposes a system which makes the working procedures of present manual system of storing and retrieving huge citizen's information of... more
Genetic algorithms (GAs) represent a class of adaptive search techniques inspired by natural evolution mechanisms. The search properties of GAs make them suitable to be used in machine learning processes and for developing fuzzy systems,... more
In this work we present a new hybrid approach for solving the clustering problem for geographic data, which is known to be NP-hard. Two metaheuristics that have proven efficiency in combinatory optimization problems have been chosen for... more
The estimation of the quality of the learned models in Data Mining has been traditionally carried out by means of a k-fold partition technique. However, the "random" division of the instances over the folds may results in a problem known... more
In recent years the industrial application areas of the high performance AC drives based on Direct Torque Controller (DTC) technique have gradually increased due to its advantages over the field oriented control technique. Direct torque... more
Data mining is synonymous with knowledge mining which means extraction of useful information from an existing dataset and transforms it into a flexible structure. Association rule mining is one of the most important tasks of data mining.... more
This paper presents a comparative study on two most popular control strategies for Permanent Magnet Synchronous Motor (PMSM) drives: field-oriented control (FOC) and direct torque control (DTC). The comparison is based on various criteria... more
The quest to develop software of great quality with timely delivery and tested components gave birth to reuse. Component reusability entails the use (re-use) of existing artefacts to improve the quality and functionalities of software.... more
This paper reports on an approach that contributes towards the problem of discovering fuzzy association rules that exhibit a temporal pattern. The novel application of the 2tuple linguistic representation identifies fuzzy association... more
A novel method for mining association rules that are both quantitative and temporal using a multi-objective evolutionary algorithm is presented. This method successfully identifies numerous temporal association rules that occur more... more
A fuzzy system is developed using a linearized performance model of the gas turbine engine for performing gas turbine fault isolation from noisy measurements. By using a priori information about measurement uncertainties and through... more
Some of the attributes of a database relation may evolve over time i.e., they change their values at different instants of time. For example, affiliation attribute of an author relation in a bibliographic database which maintains... more
A new multi-objective evolutionary model for subgroup discovery with fuzzy rules is presented in this paper. The method resolves subgroup discovery problems based on the hybridization between fuzzy logic and genetic algorithms, with the... more
Beasiswa dilakukan untuk membantu siswa dalam menempuh studinya. Proses pembangunan sistem pendukung keputusan beasiswa diklat menggunakan metode Fuzzy MADM (Multiple Attribute Decission Making) dengan metode Simple Addictive Weighting... more
This paper deals with the problem of v/f control of permanent magnet synchronous machine which is the open loop v/f method is inherently unstable. In order to overcome the v/f problems, the pi control is used to optimize the rotor speed... more
The quest to develop software of great quality with timely delivery and tested components gave birth to reuse. Component reusability entails the use (re-use) of existing artefacts to improve the quality and functionalities of software.... more
Fuzzy database model tahani merupakan salah satu metode yang dapat digunakan untuk proses pengambilan keputusan. Dalam penelitian ini, aplikasi fuzzy database model tahani dibangun untuk membantu menentukan pemberian tunjangan kepada... more
In this paper we combine the k-means and/or k-means type algorithms with a hill climbing algorithm in stages to solve the joint stratification and sample allocation problem. This is a combinatorial optimisation problem in which we search... more
SIDIC es un sistema de inferencia difuso que considera valoraciones subjetivas, las cuales son aproximadas a valores precisos, esto es aplicado a variables económicas consideradas determinantes de la inflación y su aplicación muestra una... more
The fuzzy rules are the most important factor which affects the success in fuzzy rule-based systems. Performance of a fuzzy rule-based classifier can be improved by weighting fuzzy rules. There are different methods for weighting fuzzy... more
According to the literature, a linear optimization problem subjected to a system of bipolar fuzzy relational equations with max-Łukasiewicz composition can be translated into a 0-1 integer linear programming problem and solved using... more
Kualitas sebuah lembaga pendidikan sangat dipengaruhi oleh kemampuan dari tenaga pengajar mereka dalam memberikan materi pembelajaran. Semakin baik kualitas kinerja dari tenaga pengajar biasanya akan berbanding lurus dengan kualitas... more
Data mining of association rules from items in transaction databases has been studied extensively in recent years. However these algorithms deal with only transactions with binary values whereas transactions with quantitative values are... more
Data mining is the process of extracting desirable knowledge or interesting patterns from existing databases for specific purposes. Most conventional data-mining algorithms identify the relationships among transactions using binary... more
Logika Fuzzy adalah suatu cara yang tepat untuk memetakan suatu ruang input ke dalam ruang output. Untuk sistem yang sangat rumit, penggunaan logika fuzzy (fuzzy logic) adalah salah satu pemecahannya. Sistem tradisional dirancang untuk... more
Download research papers for free!