Academia.eduAcademia.edu

A fuzzy logic control (FLC)

description10 papers
group1 follower
lightbulbAbout this topic
Fuzzy Logic Control (FLC) is a computational approach based on fuzzy set theory, which enables reasoning and decision-making in systems with uncertainty and imprecision. It utilizes linguistic variables and rules to model complex systems, allowing for flexible and adaptive control strategies that mimic human reasoning.
lightbulbAbout this topic
Fuzzy Logic Control (FLC) is a computational approach based on fuzzy set theory, which enables reasoning and decision-making in systems with uncertainty and imprecision. It utilizes linguistic variables and rules to model complex systems, allowing for flexible and adaptive control strategies that mimic human reasoning.
This research investigates the effectiveness of three Maximum Power Point Tracking (MPPT) algorithms-Incremental Conductance (IC), Perturb and Observe (P&O), and Fuzzy Logic Controller (FLC)-in optimizing power output in grid-tied... more
This paper presents a method for liquid level stabilization using a fuzzy logic algorithm implemented on the PLC S7-1200. Maintaining liquid levels accurately is a critical requirement in various industrial processes to ensure safety,... more
Abstract: ABSTRACT: Objective- To design a simple cost effective and efficient method for a water supply system employing a brushless DC motor, fed with renewable source of energy(solar energy) from solar photovoltaic array and to obtain... more
Modeling wind energy conversion systems is a difficult task that requires the use of a unified language gathering all aspect of energies involved such as kinetic energy, mechanical energy, and electrical energy. Bond Graph methodology is... more
Wind Energy is one of the potential renewable energies that could contribute towards the needs of electricity in residential houses. Wind Power Plants are pollution free so that it could address the environmental issue and the... more
The aim of our study is to project an optimized wind turbine of Darrieus type. This type of wind turbine is characterized by a low starting torque in comparison with the Savonius rotor allowing them to operate for a period greater than... more
This paper proposes a zeta converter fed by photovoltaic array as input power source for effective control of BLDC motor. A zeta converter is a fourth order dc-dc converter capable of amplifying and reducing the input voltage levels... more
Now a day's solar energy is more essential in our day to day life. For every country power demand is increasing. This paper proposed perturbs and observes (P&O) method in MPPT for PV array BLDC drive for cooling application. A buck step... more
The aim of this research work is to modulate the pitch angle of both types of wind turbines based on fuzzy logic control (FLC), as changes in the pitch angle have various functions in horizontal and vertical axis wind turbines. For HAWT,... more
We apply a Triangular Fuzzy Model (TFM) for assessing students' problem solving skills. The TFM is a variation of a special form of the Centre of Gravity (COG) defuzzification technique that we have used in earlier papers for... more
In an earlier work we have used the Triangular Fuzzy Numbers (TFNs)as an assessment tool of student skills.This approach led to an approximate linguistic characterization of the students' overall performance, but it was not proved to... more
A new fuzzy method is developed using triangular/trapezoidal fuzzy numbers for evaluating a group's mean performance, when qualitative grades instead of numerical scores are used for assessing its members' individual performance.... more
In this paper we use the Triangular and Trapezoidal Fuzzy Numbers as tools for assessing student Mathematical Modelling (MM) skills. Fuzzy Numbers play a fundamental role in fuzzy mathematics analogous to the role played by the ordinary... more
Fuzzy logic due to its nature of characterizing each case with multiple values offers is a rich field of resources covering the assessment of situations characterized by a degree of fuzziness and/or uncertainty. In this paper, we present... more
Case-Based Reasoning (CBR) is the process of solving problems by properly adapting the solutions of similar (analogous) problems solved in the past. As an Artificial Intelligence's method CBR has become recently very popular to... more
Introduction 1.1. Decision Making Decision Making (DM) is the process of choosing a solution between two or more alternatives, aiming to achieve the best possible results for a given problem. Obviously the above process has sense if, and... more
The assessment of a system’s performance is a very important task, enabling its designer/user to correct its weaknesses and make it more effective. Frequently, in practice, a system’s assessment is performed under fuzzy conditions, e.g.,... more
In the present paper we develop an improved version of the Triangular Fuzzy Model (TFM) for verifying the creditability of a chosen decision. The TFM is a variation of a special form of the Centre of Gravity (COG) defuzzification... more
Fuzzy logic, which is based on fuzzy sets theory introduced by Zadeh in 1965, provides a rich and meaningful addition to standard logic. The applications which may be generated from or adapted to fuzzy logic are wide-ranging and provide... more
We apply the Triangular Fuzzy Assessment Model (TFAM) for analogical reasoning skills assessment. The TFAM is a new original model based on the Centre of Gravity (COG) defuzzification technique, which we have properly adapted and used in... more
In the present paper we use principles of fuzzy logic to develop a general model representing several processes in a system's operation characterized by a degree of vagueness and/or uncertainty. For this, the main stages of the... more
Fuzzy logic due to its nature of characterizing each case with multiple values offers a rich field of resources covering the assessment of situations characterized by a degree of vagueness and/or uncertainty. In this paper, we apply a new... more
The article discusses some applications of fuzzy logic ideas to formalizing of the Case-Based Reasoning (CBR) process and to measuring the effectiveness of CBR systems
Case-Based Reasoning (CBR), which provides a foundation for a new technology of intelligent computer systems that can solve problems and adapt to new situations, is the process of solving new problems based on the solutions of similar... more
The energy efficient product can be operated with longer duration. They offer wonderful solutions compared to other conventional water pumping system as it needs less maintenance, simple in installation, zero fuel cost, longer operating... more
The aim of this research work is to modulate the pitch angle of both types of wind turbines based on fuzzy logic control (FLC), as changes in the pitch angle have various functions in horizontal and vertical axis wind turbines. For HAWT,... more
The aim of this research work is to modulate the pitch angle of both types of wind turbines based on fuzzy logic control (FLC), as changes in the pitch angle have various functions in horizontal and vertical axis wind turbines. For HAWT,... more
Case-Based Reasoning (CBR) is the process of solving problems by properly adapting the solutions of similar (analogous) problems solved in the past. As an Artificial Intelligence's method CBR has become recently very popular to... more
Objective-This paper describes an attempt to streamline the execution of the Vertical Axis Wind Turbines (VAWT) utilizing dynamic sharp edge pitch control. Methods/analysis-Aerodynamic model is chosen based on the surface profile and NACA... more
Photovoltaic (PV) water pumping systems are becoming popular these days. In PV water pumping, the role of the converter is most important, especially in the renewable energy-based PV systems case. This study focuses on one such... more
Photovoltaic (PV) water pumping systems are becoming popular these days. In PV water pumping, the role of the converter is most important, especially in the renewable energy-based PV systems case. This study focuses on one such... more
The requirement of electrical energy is increasing in domestic as well as industrial applications. To meet the necessity of energy more resources are needed and furthermore environmental health should be taken care of. Due to use of... more
Photovoltaic (PV) water-pumping systems have considerable cost-effective value in rural zones. Virtual flow rate (VFR) meter is a technique to measure the water flow rate through a water pump using a numerical method as a function of the... more
The aim of this research work is to modulate the pitch angle of both types of wind turbines based on fuzzy logic control (FLC), as changes in the pitch angle have various functions in horizontal and vertical axis wind turbines. For HAWT,... more
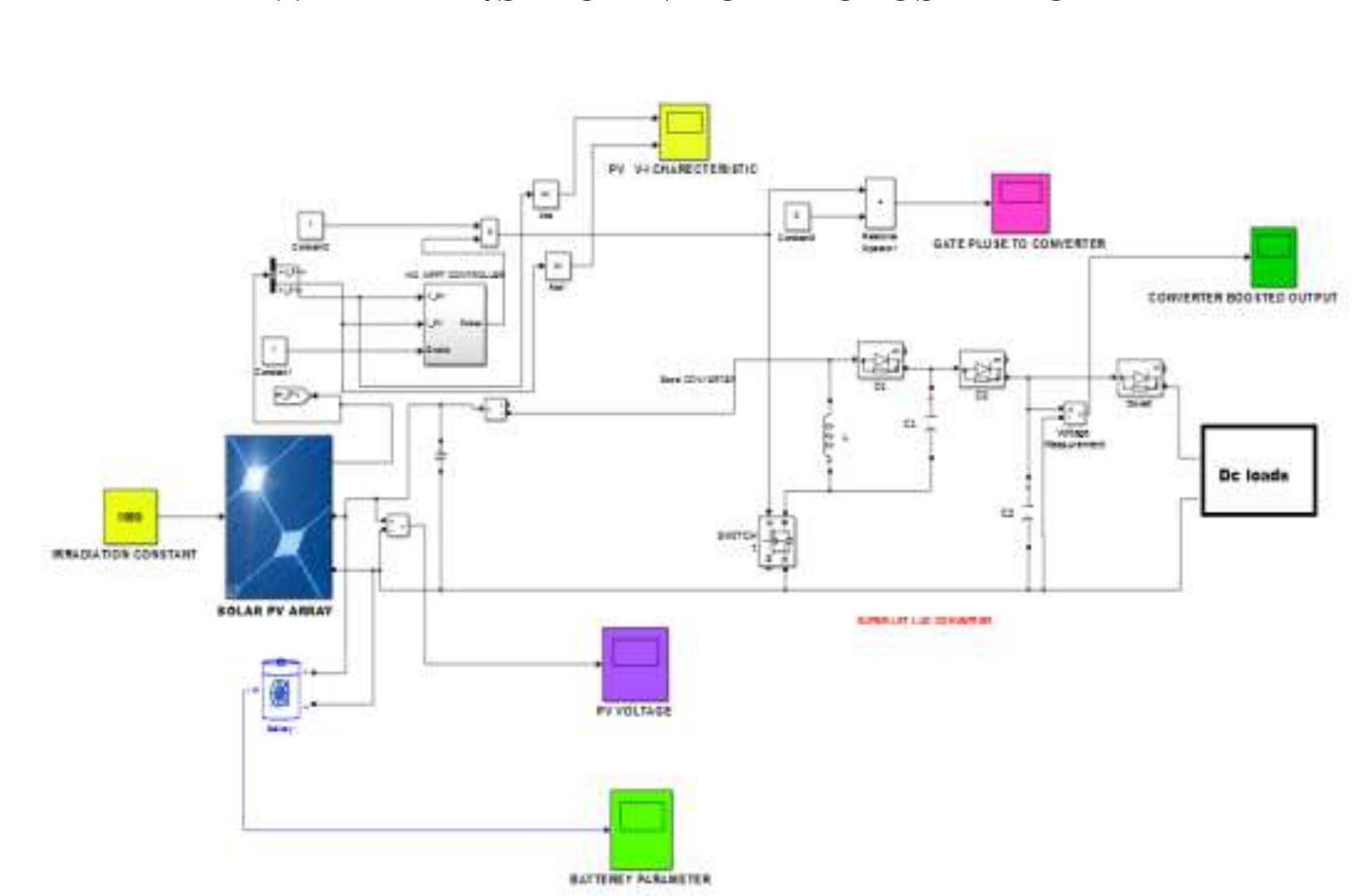
This paper develops the solar photovoltaic array fed super lift luo converter for numerous solar pv based applications. In DC-DC conversions now various cutting-edge methods are available like Voltage-lift (VL), Super-lift(SL), and... more
Pitch angle control of wind turbine has been used widely to reduce torque and output power variation in high rated wind speed areas. It is a challenge to maximize available energy in the low rated wind speed areas. In this paper, a wind... more
The purpose of this project was to develop an innovative, small-scale, and portable vertical axis wind turbine for power generation. The wind turbine was simple in design and economical. Wind speeds ranging from 2.0ms-1 to 7.0ms-1 were... more
This paper presents an analysis by which the dynamic performances of a permanent magnet brushless DC (PMBLDC) motor is controlled through a hysteresis current loop and an outer speed loop with different controllers. The dynamics of the... more
The energy efficient product can be operated with longer duration. They offer wonderful solutions compared to other conventional water pumping system as it needs less maintenance, simple in installation, zero fuel cost, longer operating... more
The simple access to the wind and the fact that it is a clean and sustainable source of energy, wind energy usage for power generation is gaining popularity in electrical power production. In this study, the effects of a mathematical... more
This article is an open access article distributed under the terms and conditions of the Creative Commons Attribution (CC BY
This paper present performance analysis of BLDC motor using LUO converter. The DC-DC LUO converter are given to inverter fed brushless DC motor. The luo converter is used for reducing the ripples in the output current and output voltage.... more
The increased importance of renewable sources in the field of automotive sector entails the use of solar photovoltaic (PV)-fed water pumping system driven by a brushless DC (BLDC) motor drive. To overcome the drawback associated with the... more
In order to obtain full available power from an SPV array, this article proposes an array of photovoltaic pumping systems using a Zeta converter as an intermediate DC-DC converter. It is an easy and inexpensive concept that requires a... more
Luo converters are a series of new DC-DC step-up converters which were developed using voltage lift technique. This paper deals with the solar-powered BLDC motor simulation with luo convertor as associate intermediate dc-dc boost... more
Luo converters are a series of new DC-DC stepup converters which were developed using voltage lift technique. This paper deals with the solar-powered BLDC motor simulation with luo convertor as associate intermediate dc-dc boost... more
The assessment of a system's performance is a very important task, enabling its designer/ user to correct its weaknesses and make it more effective. Frequently, in practice, a system's assessment is performed under fuzzy conditions, e.g.,... more
Download research papers for free!