Academia.eduAcademia.edu

Range Matching

description8 papers
group0 followers
lightbulbAbout this topic
Range matching is a statistical technique used to identify and compare subsets of data that fall within specified ranges or intervals. It is commonly applied in fields such as economics, epidemiology, and machine learning to ensure that comparisons are made between similar groups, enhancing the validity of analyses and conclusions.
lightbulbAbout this topic
Range matching is a statistical technique used to identify and compare subsets of data that fall within specified ranges or intervals. It is commonly applied in fields such as economics, epidemiology, and machine learning to ensure that comparisons are made between similar groups, enhancing the validity of analyses and conclusions.

Key research themes

1. How can geometric algorithms quantify and extend the effective initial configuration space for successful 3D range matching with iterative methods?

This theme concerns the geometric matching of 3D objects using iterative closest point (ICP) algorithms, focusing on the characterization and quantification of the range of initial configurations (SIC-range) that guarantee convergence to the global optimum. Understanding and expanding this range is crucial for efficient and robust 3D object recognition and alignment, reducing computational efforts related to initial pose sampling.

Key finding: This paper introduces the concept of the SIC-range, the subset of initial pose configurations for which ICP converges to the global minimum matching. Experimental quantification of this range for real 3D objects demonstrates... Read more
Key finding: This work defines regions on images derived from Gaussian and mean curvature of the intensity surface and constructs a Voronoi graph connecting such regions to guide matching across stereo views. The approach implicitly... Read more

2. What computational strategies optimize the representation and matching of ranges in packet filtering through novel prefix encoding techniques?

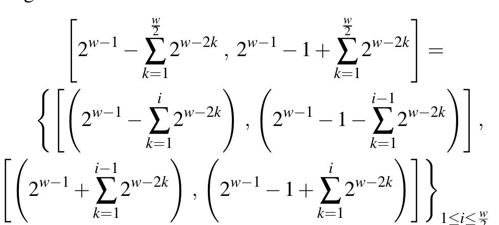
This research area focuses on packet filtering problems where range-based fields must be handled efficiently within prefix-based data structures. Due to the coexistence of range and prefix conditions in filters, range matching can cause memory blowup and performance degradation. The key challenge is converting arbitrary numerical ranges into compact, well-structured prefix or signed-prefix representations that guarantee efficient query and update performance in scalable packet classification.

Key finding: Introduces a new signed-prefix concept based on Non-Adjacent Form (NAF) to convert arbitrary w-bit ranges into an optimal, minimal set of signed prefixes. This reduces the memory footprint of range specifications... Read more
Key finding: Extends the prefix-based packet filtering framework by employing the NAF technique to handle range specifications efficiently. The proposed method offers logarithmic squared time complexity for filtering and limits memory... Read more
Key finding: Proposes the novel use of Non-Adjacent Form (NAF) to convert arbitrary ranges into minimal sets of signed prefixes, overcoming the space blowup of existing direct range-to-prefix expansions. The technique significantly... Read more
Key finding: Presents DRES, a dynamic range encoding scheme that utilizes the TCAM coprocessor hardware itself for range encoding without additional special hardware. DRES includes a dynamic range selection algorithm maximizing... Read more
Key finding: Introduces a distributed TCAM architecture that exploits chip-level parallelism to scale throughput performance up to OC768 line rate and beyond, while efficiently integrating a range encoding scheme to compactly represent... Read more

3. How can range and order-based string matching frameworks be generalized and approximated for flexible pattern retrieval in domains with intrinsic ordering or structural constraints?

This theme addresses pattern matching problems focused on order-preservation and parameterized equivalence, relevant for domains such as financial time series and musical data where relative ordering and symbol mapping matter more than exact values. It also explores approximate variants that enable flexible retrieval tolerating deviations and errors in pattern structure, advancing the theoretical understanding and practical algorithms for matching under constraints beyond exact equality.

Key finding: Extends order-preserving matching by introducing δγ-distance measures that allow controlled individual and global errors in the ranking sequences representing strings. The paper proposes an O(nm + m log m) time algorithm that... Read more
Key finding: Provides an extensive survey on parameterized matching, where two strings match if a bijection maps one onto the other respecting constant and parameter alphabets. It captures the combinatorial and algorithmic complexity of... Read more

All papers in Range Matching

Searching of patterns in large data sets is need of the hour to extract knowledge from data warehouses. This paper presents a new hashing based algorithm for fast search of multiple variable length patterns in large data sets. It rules... more
We present range encoding with no expansion (RENÉ)-a novel encoding scheme for short ranges on Ternary content addressable memory (TCAM), which, unlike previous solutions, does not impose row expansion, and uses bits proportionally to the... more
Packet classification has been a critical data path function for many emerging networking applications. An interesting approach is the use of Ternary Content Addressable Memory (TCAM) to achieve deterministic, high-speed packet... more
Packet classification has been a critical data path function for many emerging networking applications. An interesting approach is the use of Ternary Content Addressable Memory (TCAM) to achieve deterministic, high-speed packet... more
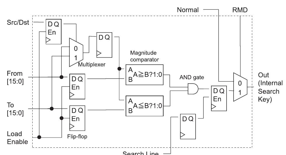
One of the most critical resource management issues in the use of ternary content-addressable memory (TCAM) for packet classification/filtering is how to effectively support filtering rules with ranges, known as range matching. In this... more
Last, but not least, I would like to thank my husband and partner Danny for his unending support. His endless love and encouragement make it possible for me to carry out this project. This work has received sponsorship from Marvell... more
Using packet classification algorithms in network equipment increases packet processing speed in Internet of Things (IoT). In the hardware implementation of these algorithms, ternary content-addressable memories (TCAMs) are often... more
Ternary Content-Addressable Memory (TCAM) is a powerful tool to represent network services with line-rate lookup time. There are various software-based approaches to represent multi-field packet classifiers. Unfortunately, all of them... more
Using packet classification algorithms in network equipment increases packet processing speed in Internet of Things (IoT). In the hardware implementation of these algorithms, ternary content-addressable memories (TCAMs) are often... more
Packet classification methods rely upon packet content/header matching against rules. Thus, throughput of matching operations is critical in many networking applications. Further, with the advent of Software Defined Networking (SDN),... more
Packet classification has wide applications such as unauthorized access prevention in firewalls and Quality of Service supported in Internet routers. The classifier containing pre-defined rules is processed by the router for finding the... more
In traffic monitoring, accounting, and network anomaly detection, it is often important to be able to detect high-volume traffic clusters in near real-time. Such heavy-hitter traffic clusters are often hierarchical (i.e., they may occur... more
Ternary content-addressable memories (TCAMs) are increasingly used for high-speed packet classification. TCAMs compare packet headers against all rules in a classification database in parallel and thus provide high throughput unparalleled... more
Ternary content-addressable memories (TCAMs) are increasingly used for high-speed packet classification. TCAMs compare packet headers against all rules in a classification database in parallel and thus provide high throughput.
Network Firewalls are considered to be one of the most important security components in today's IP network architectures. Performance of firewalls has significant impact on the overall network performance. Firewalls should be able to... more
A New TCAM Architecture for Managing ACL in Routers
The coexistence of range based and prefix based fields within the filtering rules is one of the most important cause that makes the packet classification problem difficult to resolve and the proposed hybrid solutions hard to implement.... more
The coexistence of range-based and prefix-based fields within the filtering policy is one of the most important causes that make the packet filtering problem difficult to solve and the proposed hybrid solutions hard to implement. In... more
The coexistence of range-based and prefix-based fields within the filtering policy is one of the most important causes that make the packet filtering problem difficult to solve and the proposed hybrid solutions hard to implement. In... more
Many researches are about optimizing schemes for packet classification and matching filters to increase the performance of many network devices such as firewalls and QoS routers. Most of the proposed algorithms do not process dynamically... more
Download research papers for free!