Academia.eduAcademia.edu

Neural Networks and Artificial Intelligence

description26 papers
group32 followers
lightbulbAbout this topic
Neural Networks and Artificial Intelligence is a subfield of computer science and machine learning that focuses on the development and application of algorithms inspired by the structure and function of the human brain, enabling machines to learn from data, recognize patterns, and make decisions autonomously.
lightbulbAbout this topic
Neural Networks and Artificial Intelligence is a subfield of computer science and machine learning that focuses on the development and application of algorithms inspired by the structure and function of the human brain, enabling machines to learn from data, recognize patterns, and make decisions autonomously.
Artificial Neural Networks (ANNs) represent a category of machine learning models that draw inspiration from the arrangement and operation of the human brain. These models consist of interconnected units or neurons, which are grouped into... more
Quantum mechanics has revolutionized our understanding of reality, yet its potential role in neural processes and cognition remains largely unexplored. This paper introduces the emerging field of Quantum Neuroscience, which investigates... more
The interactions between financial development, productivity and growth have been extensively studied in the literature. However, their nature, directions and magnitudes remain unclear, and no consensus has been reached, notably in the... more
Purpose In this paper, the heterogeneity of the linkages among financial development, productivity and growth across income groups is emphasized. Design/methodology/approach An empirical analysis is conducted with an illustrative sample... more
Diabetes disease can be considered as one of the major health problem over the world. Diabetes is a condition in which sugar amount in the blood is higher than normal. There is an urgent need to develop efficient systems for diabetes... more
The application of fiber-reinforced polymer bars is rapidly rising in concrete structures because of corrosion resistance and high tensile strength. By contrast, concrete structures reinforced with Fiber-Reinforced Polymer (FRP) bars... more
Purpose-In this paper, the heterogeneity of the linkages among financial development, productivity and growth across income groups is emphasized. Design/methodology/approach-An empirical analysis is conducted with an illustrative sample... more
Colon and rectal cancers are the most common kinds of cancer globally. Colon cancer is more prevalent in men than in women. Early detection increases the likelihood of survival, and treatment significantly increases the likelihood of... more
Colon and rectal cancers are the most common kinds of cancer globally. Colon cancer is more prevalent in men than in women. Early detection increases the likelihood of survival, and treatment significantly increases the likelihood of... more
The application of fiber-reinforced polymer bars is rapidly rising in concrete structures because of corrosion resistance and high tensile strength. By contrast, concrete structures reinforced with Fiber-Reinforced Polymer (FRP) bars... more
Un diseño para la lectura del comportamiento de red (tejido algorítmico) en soluciones ius sistémicas.
Colon and rectal cancers are the most common kinds of cancer globally. Colon cancer is more prevalent in men than in women. Early detection increases the likelihood of survival, and treatment significantly increases the likelihood of... more
We p r e s e n t an unsupervised segmentation algorithm based on a Markov Random Field model for noisy images. The algorithm nds the the most likely number of classes, their associated model parameters and generates a corresponding... more
Financial development, productivity, and growth are interconnected, but the direction of causality remains unclear. The relevance of these linkages is likely different for developing and developed economies, yet comparative cross-country... more
DC motors are proven enhanced performance while it used in different applications where accurate speed control is demanded. This study emphasises to deploy artificial neural controller for accurate and rapid control of speed. A... more
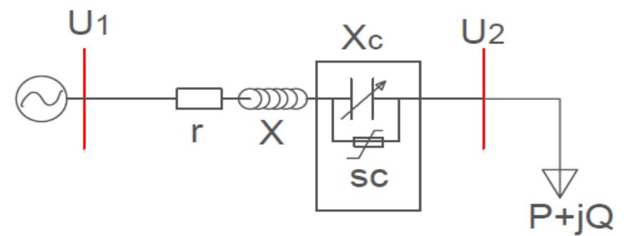
Series Capacitors (SC) Device is "placed in the middle of the" transmission line is used to decrease the reactive power in the "distribution networks 33KV and the powerful capability of series line compensation "to control the transmitted... more
The power system blackout history of last two decades is presented.Conventional load shedding techniques, their types and limitations are presented.Applications of intelligent techniques in load shedding are presented.Intelligent... more
Download research papers for free!